R12 ECO Мини-экскаватор
1. Импортные аксессуары для повышения общей производительности машины.
2. Формирующий цилиндр из штампованной штамповки, нелегко сломать, встроенное уплотнение NOK.
3. Используйте более толстую высококачественную сталь, применяйте процесс формования пластика, предотвращайте ржавчину и защиту от коррозии.
4. Использование редукторов всемирно известных брендов обеспечивает плавную работу и высокую надежность.
5. Корпус на 360 градусов свободно вращается, а умный корпус облегчает работу на открытом воздухе.
6. Фабричный магазин, вы можете посетить фабрику бесплатно.
7. Поддержка оптовых заказов по выгодным ценам.
8. Поддержка ODM/OEM.
9. На заводе есть склад и быстрая доставка.
СТАНДАРТНАЯ КОНФИГУРАЦИЯ:
Двигатель Ligong/многоходовой клапан пилота/рукоятка управления пилотом/ходовой двигатель Paiyi/импортный масляный цилиндр, встроенное в масляную трубку уплотнительное кольцо NOk/открывающаяся задняя дверь/регулируемый отвал/износостойкая инженерная резиновая дорожка/регулируемое сиденье водителя/стандарт ведро
ДОПОЛНИТЕЛЬНАЯ КОНФИГУРАЦИЯ:
Молот/рыхлитель/грейфер для бревен/грабли/шнековая дрель/большой ковш/закрытая кабина/ковш для грязи

Основные параметры производительности | Рабочий вес машины (кг) | 1300 |
Вместимость ковша (м³) | 0.018 | |
Низкая/высокая скорость движения (км/ч) | 0-1.8 | |
Градуируемость (%) | 30% | |
Давление на грунт (кпа) | 31.4 | |
Максимальное усилие копания (кН) | 10.4 | |
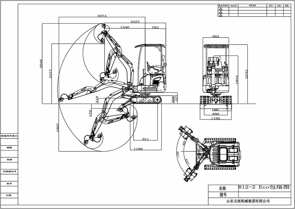
Максимальный радиус копания (мм) | 3274 | |
Максимальная глубина копания (мм) | 1807 | |
Максимальная высота копания (мм) | 3046 | |
Максимальная высота разгрузки (мм) | 2277 | |
Максимальный угол отклонения (°) | 92° | |
кузов автомобиля | Транспортная длина (мм) | 2327 |
Транспортная ширина (мм) | 983 | |
Транспортная высота (мм) | 2243 | |
Телескопический диапазон гусениц (мм) | 890-1190 | |
Ширина ковша (мм) | 400 | |
Длина стрелы (мм) | 1477 | |
Длина рукояти (мм) | 800 | |
Ширина бульдозерного отвала (мм) | 1024 | |
Двигатель | Марка двигателя | Kubota |
Модель двигателя | D722 | |
Максимальная мощность (л.с.) | 13.97 | |
Максимальная мощность (кВт) | 10.2 | |
Максимальная скорость (об/мин) | 2500 | |
Водоизмещение (L) | 0.719 | |
Количество цилиндров Метод охлаждения | 3 | |
метод охлаждения | водяное охлаждение | |
Объем замены моторного масла (л) | 3.5 | |
Форма топлива | дизельное топливо | |
Этикетка топлива | No.0/-10 | |
Теоретический расход топлива (л/ч) | No.0/-10 |

ПРИМЕНЕНИЕ ПРОДУКТА:
Он используется для восстановления грунта, разрушения бетона, а также для прокладки кабеля, прокладки водопроводных труб, посадки растений, очистки рек/канав и строительных проектов.Он имеет несколько функций;раскопки, разрушение, очистка канав, бурение, бульдозеризация и т. д.

[ ДВИГАТЕЛЬ KUBOTA ]
Мощная производительность в компактном корпусе. Отличная производительность, обеспечиваемая дополнительным крутящим моментом, способствует улучшению обрабатываемости. В то же время низкий расход топлива, низкая вибрация, низкий уровень шума и бережное отношение к окружающей среде достигли высокого уровня.
[ ПИЛОТНОЕ УПРАВЛЕНИЕ] (стандартная конфигурация)
Экскаватор оснащен блокировкой пилота, которая предотвращает случайное касание и делает работу более безопасной. Машина оснащена клапаном источника масла и аккумулятором для более быстрого реагирования на пилотную операцию.
[ РЕЖИМ ЗАМЕНЫ ВСПОМОГАТЕЛЬНОГО ОБОРУДОВАНИЯ ] (стандартная конфигурация)
При замене вспомогательного оборудования, такого как гидравлические быстросменные устройства, ломатели и захваты для древесины, вы можете легко заменить их нажатием кнопки, что удобно и быстро.
[ RUBBER HOSE]
Выведите приемную трубу воздушного фильтра на внешнюю сторону бака для воды, чтобы напрямую впитывать естественный ветер снаружи, чтобы избежать влияния на мощность двигателя из-за высокой температуры на входе в двигатель, чтобы сократить срок службы двигателя.

[УНИКАЛЬНАЯ КОНСТРУКЦИЯ ЗАЩИТЫ ЦИЛИНДРА СТРЕЛЫ]
В нем используется конструкция, в которой цилиндр стрелы расположен на задней части стрелы. При транспортировке осадка на мусорную свалку цилиндр стрелы может быть загружен плавно, не опасаясь повреждения цилиндра стрелы. Вы можете легко работать.
[С ИСПОЛЬЗОВАНИЕМ ИНЖЕНЕРНЫХ РЕЗИНОВЫХ ГУСЕНИЦ]
Улучшение боковой устойчивости. Кроме того, для повышения комфорта вождения используются резиновые гусеницы "елочка". Обеспечивают более безопасную и комфортную работу.
[Выдвижные гусеницы]
Переменная ширина колеи учитывает ситуацию, когда необходимо въехать на участок с узкой дорогой и транспортировать самосвал. Увеличение и уменьшение ширины гусениц - это простая система, которая управляется только рычагом. Она составляет компактные 900 мм при движении и транспортировке и 1200 мм при работе. Она расширяется, обеспечивая высокую устойчивость.
[Бульдозер с переменным шагом]
В зависимости от ширины колеи изменяется и ширина отвала. Кроме того, расширение и сужение можно легко осуществить только путем замены штифта.
[Боковой поворот большой стрелы]
Отклоняемая стрела, работа с несколькими градусами свободы, большой угол отклонения, более гибкая работа и может удовлетворить больше операционных требований.

[ DASH BOARD ]
Правый подлокотник оснащен автомобильным прибором - интегрированным многофункциональным прибором, который может отображать различные параметры, такие как скорость, объем масла, давление масла, напряжение и сигнализацию температуры воды. С его помощью удобно наблюдать за состоянием всего автомобиля, а также своевременно поддерживать и управлять состоянием всего автомобиля.
Небольшой и многофункциональный автомобиль подходит для работы в небольших и сложных условиях.
[ НОВОЕ ЛИТОЕ ВЕДУЩЕЕ КОЛЕСО]
Новое литое ведущее колесо, полусферическая структура рассеивает концентрацию напряжений и имеет более длительный срок службы.
[ ИНЖЕНЕРНЫЕ РЕЗИНОВЫЕ ГУСЕНИЦЫ ]
Благодаря использованию гусениц "елочка", ходьба по твердой земле становится более устойчивой.
[ПРОГУЛОЧНЫЙ МОТОР]
Туристический мотор Zhenjiang BM6-315
Двигатель продолжает работать, и возникает определенная внутренняя утечка, которая накапливает масло в двигателе, увеличивает контур возврата масла, сливает излишки масла из двигателя и увеличивает срок службы двигателя.
[ НАТЯЖЕНИЕ ЦИЛИНДРА ]
Масляный цилиндр натянут, натяжение простое и трудоемкое, а устойчивость и сцепление с дорогой улучшаются при прохождении дорожных заграждений.


